重慶唐天科技有限責任公司
專注水文水利 ? 生態環境監測儀器10余年
178-3009-7412(7*24小時服務)
023-6730-0329
.jpg)
.jpg)
.jpg)
.jpg)
.jpg)
一、產品簡介
AN-WQSTU20型低量程濁度在線分析儀是針對飲用水水質在線監測量身研發的產品,具有超低濁度檢出限、高精度測量、設備長時間免維護、省水工作和數字化輸出的特點,支持云平臺和手機移動端數據遠程監控,以及RS485-modbus通訊。
可廣泛應用于自來水出廠水、二次供水、管網末梢水、直飲水、膜過濾水、游泳池、地表水等濁度在線監測。
二、工作原理
AN-WQSTU20型低量程濁度在線分析儀采用90°散射檢測原理,并設計獨特的光電接收結構,以及自動溫光補償方法,極大程度提高了檢測濁度的精度和準確度。傳感器內置ARM7數據處理器,并采用高效數字濾波算法,避免噪聲干擾,同時采用標準的Modbus數字信號輸出,便于用戶接入計算機監控系統。
低量程濁度在線分析儀通過把光源發出的平行光引導向下進入傳感器中的水樣,光線被水樣中的懸浮顆粒物散射,與入射角成90度的散射光被浸沒在水樣中的硅光電池接收器接收,通過計算90度散射光與入射光束之間的關系獲得水樣的濁度值。
三、優勢特點
體積小,方便系統集成
免維護,儀器采用光學原理測量,日常基本免維護
使用成本低,用水量較小,節省日常運行成本
標準通訊協議,支持標準RS485-modbus通訊協議
高精度,在低量程范圍內依然保持較高精度,能夠應用于膜式凈水后的飲用水濁度測量
四、技術參數
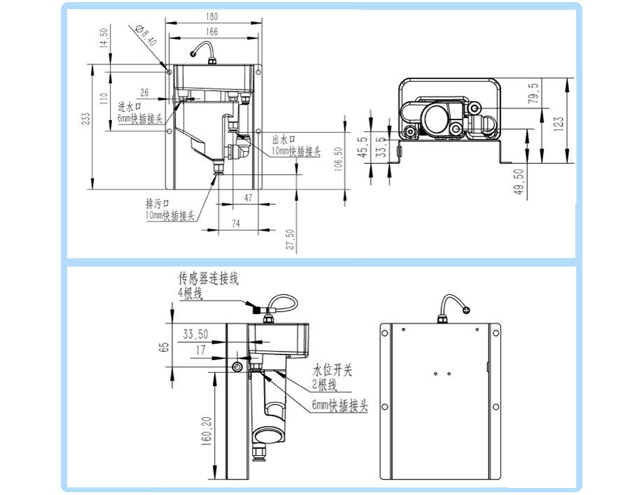
產品尺寸:233mm*180mm*123mm(高寬厚)
工作電壓:DC24V(19-30V電壓范圍)
工作方式:引流連續監測
測量方式:90°散射
量程:0-1NTU/0-20NTU/0-100NTU(默認0-20NTU)
零點漂移:≤±0.015NTU
示值誤差:≤±2% 或 ±0.015NTU取大者
校準方式:福爾馬肼標準液校準(出廠已校準)
進水壓力:小于0.3MPa,流量不超過300mL/min
數字輸出:RS485 Modbus協議(波特率9600、8、N、1)
存儲溫度:-20℃ - 60℃
工作溫度:0℃ - 50℃
傳感器材料:復合材料
維護周期:建議12個月(視現場水質環境而定)
五、外形尺寸
.jpg)
六、產品展示
.jpg)
七、現場實例
.jpg)

178-3009-7412
7*24小時全國統一服務熱線
